Fanuc R-2000iA 165F
The R-2000iA series is one of the FANUC's latest-generation, six axis, heavy payload, high-performance family of industrial robots. It features the intellogent robot control system Rj3iB.
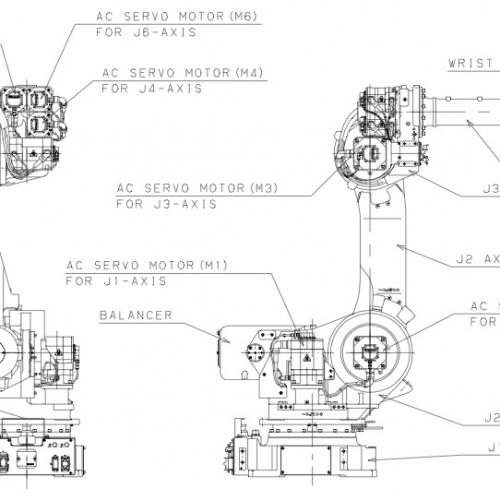
Mechanical features
- Large work envelope with ability to reach overhead and behind
- Slim profile design
- RV reducers for all axis
- Elimination of counterweight increases available workspace.
- Process/applications cables routed through the arm
- No motors at wrist
Rj3iB control cabinet
- B size cabinet
- Quick change amplifier
- Fast boot time < 30 s
- PCMCIA Software distribution
- Easy connections to a variety of I/O
- Color teach pendant for even easier programming and custom cell user interface design.
Robot Info:
- Number of axis: 6
- Maximum Load of Robot: 165Kg.
- Maximum Reach: 2650 mm.
- Repeatability: 0,18 mm.
- Controller:RJ3iB
Robot Motion Speed:
- Axis 1: 105º/seg
- Axis 2: 105º/seg
- Axis 3: 105º/seg
- Axis 4: 130º/seg
- Axis 5: 130º/seg
- Axis 6: 210º/seg
Robot Applications:
- General industrial applications
- Spotwelding and general assembly
- Part transfer
- Material removal
- Dispensing
- Machine loading
- Arc welding
Applications
Spotwelding , Press tending , Palletising , Loading and unloading of parts , Machining , Handling of parts , Laser welding Nd-Yag , Glueing - Adhesive bonding , Stud welding
Pictures
Videos
Diagrams
Spain
Germany
France
Russia
China
Argentina
Portugal
Colombia
Italy
India
Brazil
Japan
Mexico
Turkey
Ukraine
Peru
Sth. Africa